PFC電感的原理及應用特性
2020-05-07 16:35:14
admin
1294
PFC電感是什么?PFC電感是PFC(Power Factor Correction,功率因數校正)電路的核心組件,PFC電路早期在UPS電源中運用較多,在一些PC電源上卻很少見到 PFC電路;但后來隨著一些強制性認證(例如CCC)的出現,致使PFC電感在小功率電源領域興起。
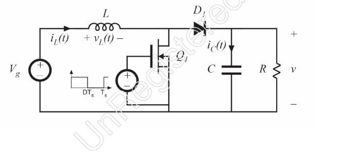
PFC電路又分為被動式PFC電路和主動PFC電路。不管是被動式PFC電路,還是主動PFC電路,都必須有PFC電感的參與。
被動PFC電路是利用電感和電容組成濾波器,對輸入電容進行移相和整形。主要是增加輸入電流的導電寬度,減緩其脈沖上升性,從而減小電流的諧波成分。

主動PFC電路在負載即電力電子裝置本身的整流器和濾波電容之間增加一個功率變換電路,將整流器的輸入電流校正成為與電網電壓同相位的正弦波,消除了諧波和無功電流,因而將電網功率因數提高到近似為。
常見PFC電感有鐵硅鋁PFC電感和非晶PFC電感。鐵硅鋁PFC電感磁芯由鐵硅鋁材料制造,其居里溫度410度以上,工作溫度范圍-50~+200度,具有電流疊加性能好,低鐵損,負溫度系數的特點。鐵硅鋁PFC電感可應用于電源供應器、不間斷電源(UPS)以及各種家用電器控制板等領域。非晶PFC電感用鐵基非晶帶材制造,鐵芯開口,具有優良的頻率特性和穩定性,有很好的恒電感特性和抗直流偏磁能力,而且損耗低。非晶PFC電感可用于變頻電源、UPS、開關電源、變頻器、工業電源、通信電源等。
mira
